








| Barva/povrchová úprava | Střelková závora a závora: niklTělo zámku: pozink, Čelní plech: saténsklopná páčka: nikltělo zámku: pozink |
|---|---|
| Materiál | Čelní plech: Nerezstřelková závora a táhlo: oceltělo zámku: Ocel |
| Backset | | 35,00 mm | 40,00 mm | 45,00 mm |
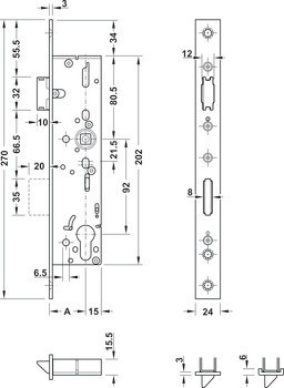
| Rozměr zdvihu závory | 20,00 mm |
| Montáž | DIN levý/pravý (reverzní) |
| Pro materiál dveří | Profil trubky |
| Konstrukce dveří | Bezfalcové |
| Funkčnost | Bez převodu |
| Pro typ dveří | Únikové dveře|Únikové a panikové dveře|Požárně odolné a kouřotěsné dveře |
| Připraveno pro | Profilová vložka |
| Zdvih závory | 1 otáčka |
| Ořech kliky | 9,00 mm |
| Rozteč | 92,00 mm |
| Šířka čelního plechu | 24,00 mm |
| Design čelního plechu | | Plochý čelní plech s hranami | U-čelní plech |
| Norma | Certifikováno v souladu s EN 179:2008Certifikováno v souladu s EN 1125:2008Normy EN 179:2008 a EN 1125:2008 lze splnit pouze ve spojení se společně testovanými sadami kování. |
| Pro počet dveří | 1křídlé dveře |
| Rozsah použití | Únikové cesty a panikové prostory |
| Verze ořechu kliky | Dělený ořech |
| Délka čelního plechu | 270,00 mm |
| Verze závory | Standardní závora |
| Funkce panikového zámku | Paniková přepínací funkce B |
| Klasifikace v souladu s EN 179 | 3|7|7|B|1|3|4|2|A|B, D |
| Klasifikace v souladu s EN 1125 s dotykovým madlem | 3|7|7|B|1|3|2|1|A|B |
| Klasifikace v souladu s EN 1125 s tlačným madlem | 3|7|7|B|1|3|2|2|B|B |
| Směr otevírání | Nastavitelné ven/dovnitř |