




1 závěs pro celoskleněné dveře
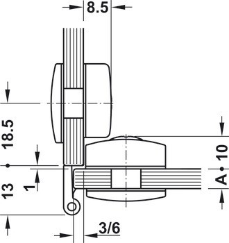
Upevňovací šrouby
Plastové mezivrstvy


| Verze | | Naložení dveří 3 nebo 6 mm |
|---|---|
| Rozsah použití | | Pro naložené dveře |
| Barva/povrchová úprava | | nikl |
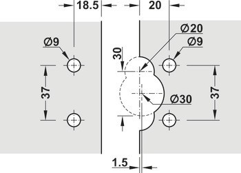
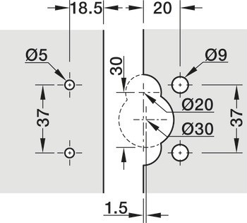
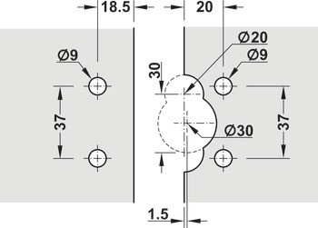
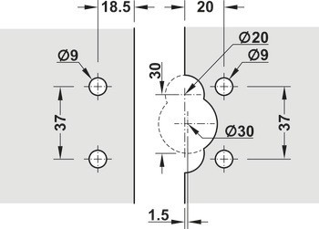
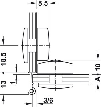
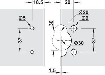
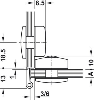
| Zařízení pro nastavení | | Side adjustment -2/0 mm, Height adjustment ±1 mm, Depth adjustment ±1 mm |
| Pro tloušťku skla | | 5 – 8 mm |
| Pro materiál dveří | | sklo | dřevo, sklo |
| Materiál | | Zinková slitina |
| Úhel otevření | | 260° | 230° |
| Vybavení | | se záskočkou |
| Konstrukce dveří | | Naložení |
| Furniture Construction | | pro skleněné/dřevěné konstrukce | pro celoskleněné konstrukce |