





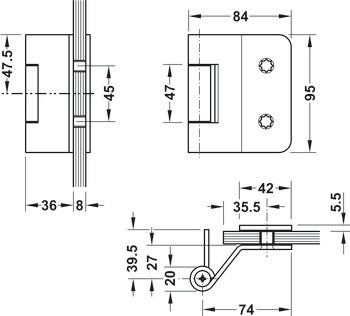
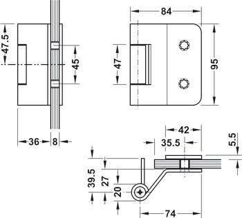
| Rozsah použití | | Pro falcové dřevěné, ocelové nebo hliníkové zárubně |
|---|---|
| Materiál | | Nerez |
| Barva/povrchová úprava | | matný |
| Pro tloušťku skla | | 8 – 10 mm |
| Montáž | | Pro použití na DIN levé a DIN pravé straně |
| Průměr patice | | 20,00 mm |
| Hmotnost dveří max. | 60,00 kg |