









| Rozsah použití | Pro skrytou montáž | 
|---|---|
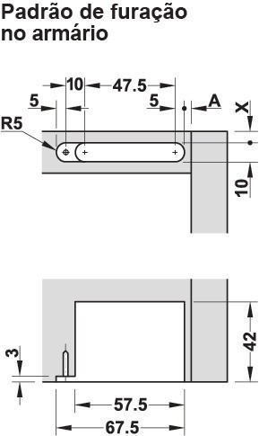
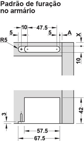
| Montáž | K přišroubování | 
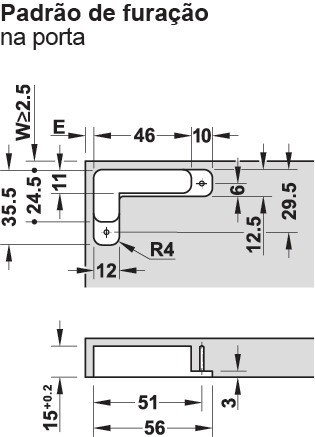
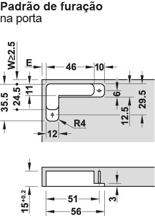
| Pro tloušťku dveří | ≥16 mm | 
| Materiál | | Tělo: plast,Ocelový kloub | Tělo: plast, Kloub: mosaz | Tělo: plast, Ocelový kloub | 
| Pro materiál dveří | dřevo | 
| Úhel otevření | 180° | 
| Barva/povrchová úprava | | tělo: hnědé,Kloub: brunýrovaný | tělo: hnědé, Kloub: bronzový | tělo: černé, Kloub: brunýrovaný | tělo: bílé, Článek: pozink | tělo: bílé, Článek: nikl |