




S upevňovacím materiálem





| Verze | |
|---|---|
| Barva/povrchová úprava | |
| Rozsah použití | pro dřevěné zárubně,pro bezfalcové dřevěné vnitřní dveře |
| Montáž | k přišroubování |
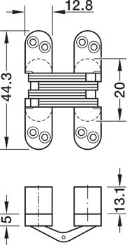
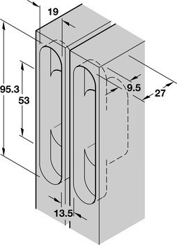
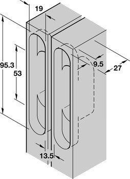
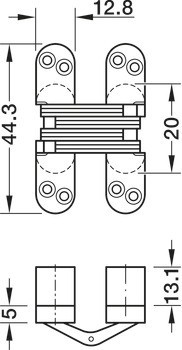
| Pro tloušťku dveří | 13 – 16 mm | 19 – 24 mm | 19 – 25 mm | 22 – 26 mm | 28 – 34 mm | 35 – 38 mm | 41 – 45 mm | 48 – 51 mm |
| Materiál | Tělo ze zinkové slitiny, ocelový kloubVerze pro tloušťku dřeva 41–51 mm, rovněž s kloubem s plastovými podložkami |
| Model | | A | B |
| Montáž | Pro použití na DIN levé a DIN pravé straně |
| Pro materiál dveří | dřevo |
| Úhel otevření | 180° |