









| Barva/povrchová úprava | nikl |
|---|---|
| Rozsah použití | Pro standardní aplikace |
| Montáž | Dveře na korpusu bez nářadí s klip systémem |
| Zařízení pro nastavení | Side adjustment ±2 mm, Height adjustment ±3 mm, Depth adjustment -2/+3 mm, Výškové nastavení podle montážní podložky |
| Materiál | Ocel |
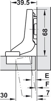
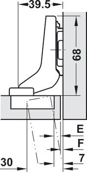
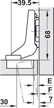
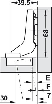
| Typ zalomení | Velmi zalomené |
| Pro materiál dveří | Dřevo |
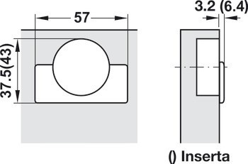
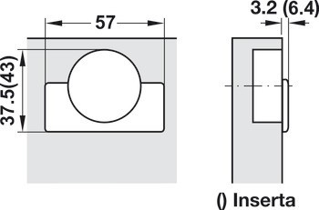
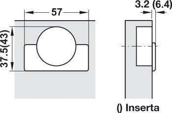
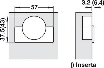
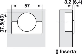
| Verze nábytkového závěsu | vložka |
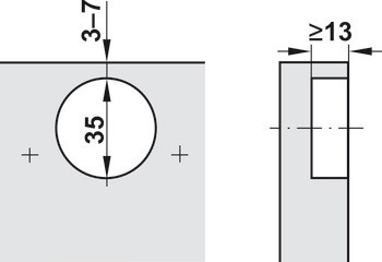
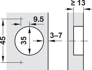
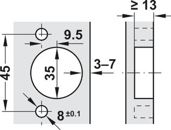
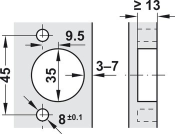
| Zpracování dveří pro sestavení | s vrtáním misky |
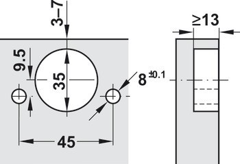
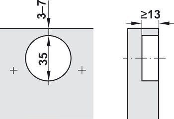
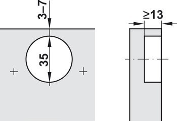
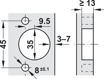
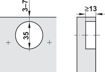
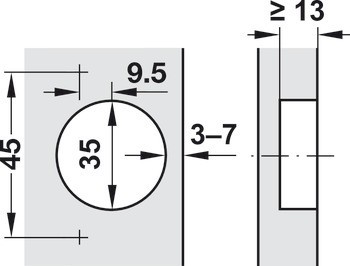
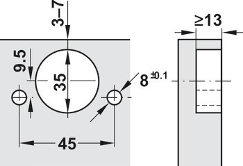
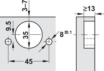
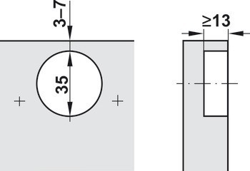
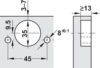
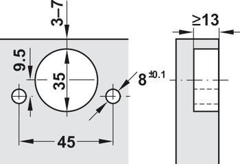
| Hloubka vrtání misky | 13,00 mm | 13.00 mm | 13,0 mm |
| Verze | | S automatickou dovírací mechanikou, Bez mechanismu tlumení | Bez automatické zavírací pružiny, Bez mechanismu tlumení |
| Montáž misky závěsu | | K nalisování | k přišroubování | Bez nářadí (Inserta) |
| Úhel otevření | 110° |
| Model No. | | 70T3750.TL | 70T3790.TL | 71T3750 | 71T3780 | 71T3790 |
| Vzor vrtání | 45/9,5 |
| Průměr vrtání misky | 35,00 mm | 35.00 mm | 35,0 mm |