









| Barva/povrchová úprava | | Černý | nikl |
|---|---|
| Rozsah použití | Pro standardní aplikace |
| Montáž | Dveře na korpusu bez nářadí s klip systémem |
| Zařízení pro nastavení | Side adjustment 2 mm, Height adjustment -3 – 3 mm, Výškové nastavení podle montážní podložky |
| Materiál | Ocel |
| Typ zalomení | Velmi zalomené |
| Pro materiál dveří | dřevo |
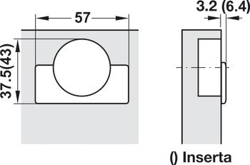
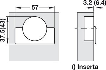
| Verze nábytkového závěsu | vložka |
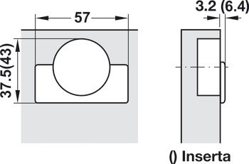
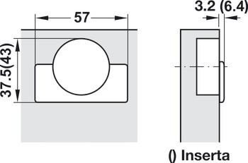
| Zpracování dveří pro sestavení | s vrtáním misky |
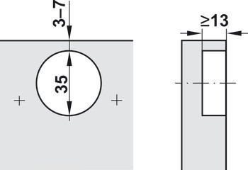
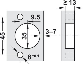
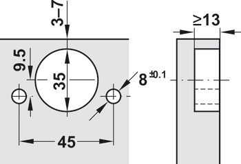
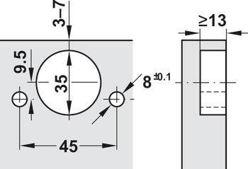
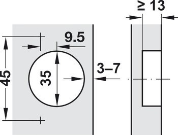
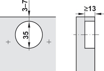
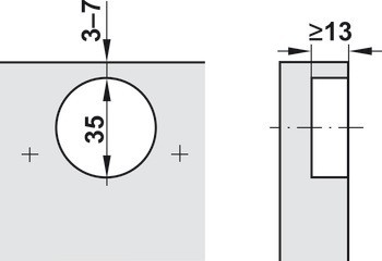
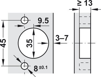
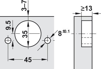
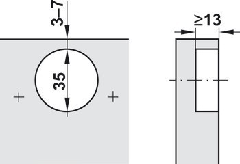
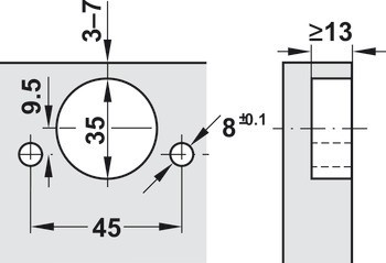
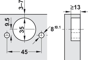
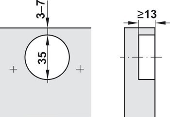
| Hloubka vrtání misky | | 13,00 mm | 13.00 mm | 13.0 mm | 13,0 mm |
| Verze | S automatickou dovírací mechanikou, s mechanismem tlumeného zavírání (lze deaktivovat) |
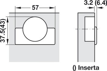
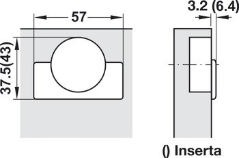
| Montáž misky závěsu | | K nalisování | k přišroubování | Bez nářadí (Inserta) |
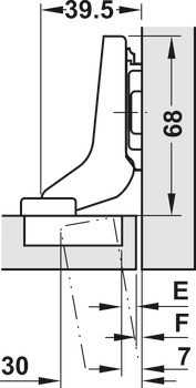
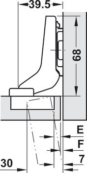
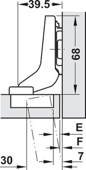
| Úhel otevření | 110° |
| Model No. | | 71B3750 | 71B3780 | 71B3790 |
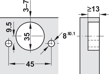
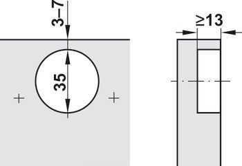
| Vzor vrtání | 45/9,5 |
| Průměr vrtání misky | | 35,00 mm | 35.00 mm | 35,0 mm | 35.0 mm |