









| Barva/povrchová úprava | | nikl | Onyxblack |
|---|---|
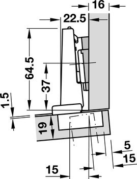
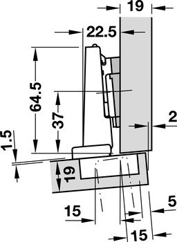
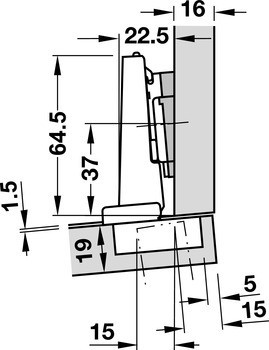
| Rozsah použití | Pro tlusté a profilové dveře do 32 mm |
| Montáž | Dveře na korpusu bez nářadí s klip systémem |
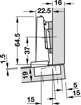
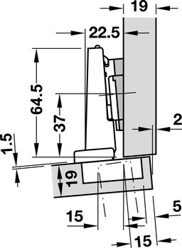
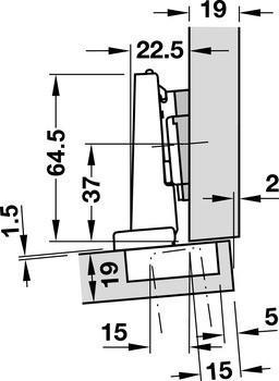
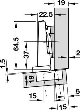
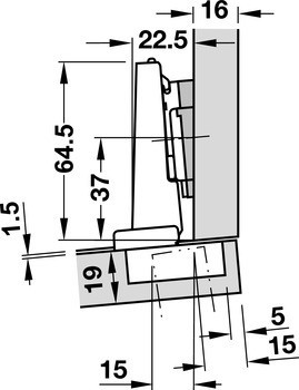
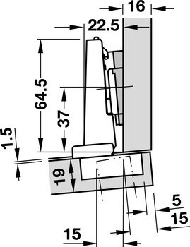
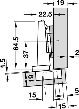
| Zařízení pro nastavení | Side adjustment ±2 mm, Height adjustment ±3 mm, Depth adjustment -2/+3 mm, Výškové nastavení podle montážní podložky |
| Materiál | Ocel |
| Typ zalomení | Zalomené |
| Pro materiál dveří | Dřevo |
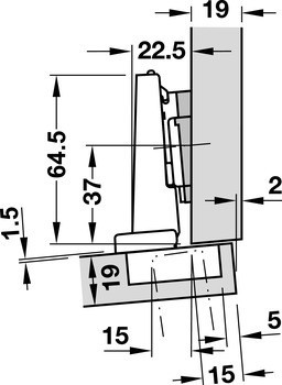
| Verze nábytkového závěsu | Polonaložená montáž |
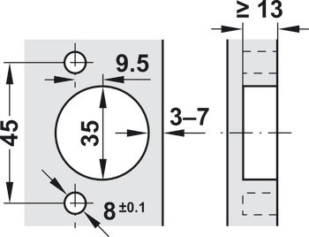
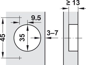
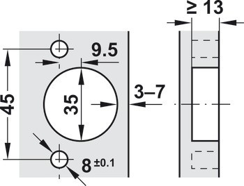
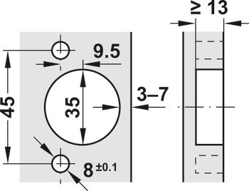
| Zpracování dveří pro sestavení | s vrtáním misky |
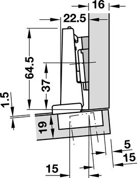
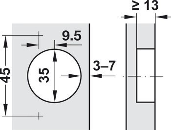
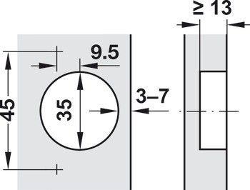
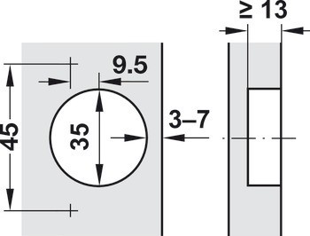
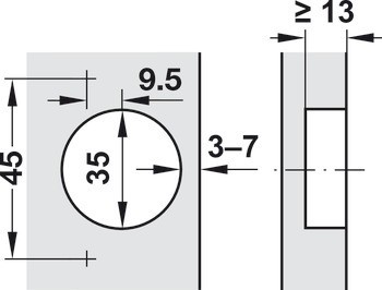
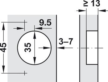
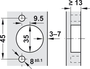
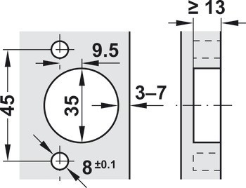
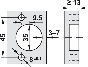
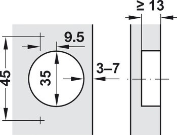
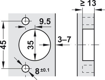
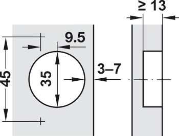
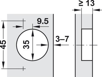
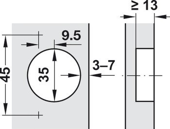
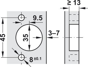
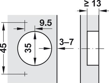
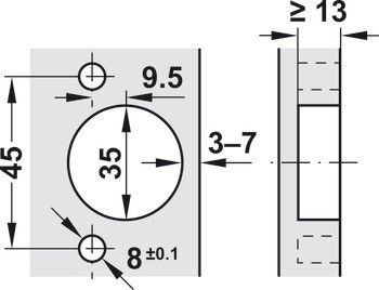
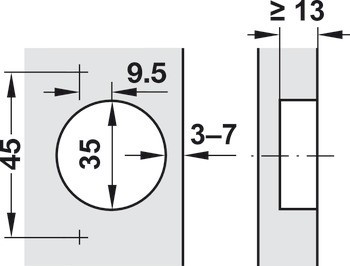
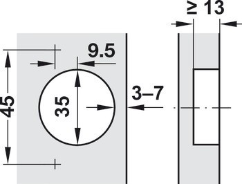
| Hloubka vrtání misky | 13,00 mm | 13.00 mm |
| Verze | S automatickou dovírací mechanikou, s mechanismem tlumeného zavírání (lze deaktivovat) |
| Montáž misky závěsu | | K nalisování | k přišroubování | Bez nářadí (Inserta) |
| Úhel otevření | 95° |
| Model No. | | 71B9650 | 71B9680 | 71B9690 |
| Vzor vrtání | 45/9,5 |
| Průměr vrtání misky | 35,00 mm | 35.00 mm |